
● 局所排気装置等設置届に必要な書類等
| 順番 | 表題 | 様式、書式 | 内容 | 備考 |
| 1 | 設置届 | 安衛則様式20号 | ||
| 2 | 有害物発散抑制方法 | 任意 | 有害物の発散を抑制する方法を具体的に記述する。 | |
| 3 | 摘要書 | 安衛則様式25号 | 計算書から必要事項を転記 | |
| 4 | 計算書 | 1- 計算書 (1) (2) | フード見取図等 | 型式、開口部寸法、発散源との位置関係、排風量等 |
| 2- 計算書 (3) | ダクト系の系統線図 | 断面の内寸、長さ、ベンド、合流等の角度。フレキシブルダクトにあっては圧損特性資料等 | ||
| 3- 計算書 (4) | 圧損、静圧の計算表 | 必要に応じて計算式を記入 | ||
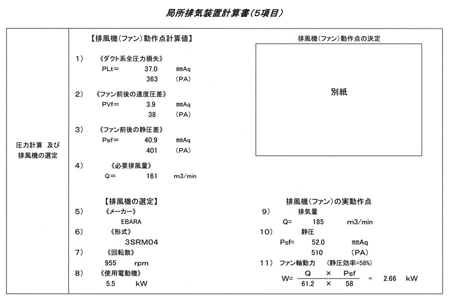
| 4- 計算書 (5) | ダクト系の圧損(静圧)特性、ファン動作点の決定等 | ファンの仕様、圧損特性線図、モーターの仕様等 | ||
| 5 | 局所図面等 | 1- フード | 正面図、平面図、側面図各1部 | 発散源との位置関係、距離等が明示されているもの |
| 2- ダクト系 | 正面図、平面図、側面図各1部 | 各部の内寸を明示 | ||
| 3- ファン | 吸入口及び吐出口の内寸を明示。カタログ、仕様書等のコピー | |||
| 6 | 発散源の設備装備の図面 | フードとの位置関係を明示 | ||
| 7 | 作業場図面 | 設備、装置の配置図 | 作業場の寸法記入、届の対象となる設備を明示 | |
| 8 | 建物配置図 | 敷地の寸法記入、届の対象となる作業箇所を明示 | ||
| 9 | 四隣との関係図 | 隣接工場、住宅等との関係を明示 | ||
| 10 | 工場案内図 | 最寄りの交通機関からの案内図 | ||
● 〈作成書類例〉3:適応書/安衛則様式25号

● 〈作成書類例〉4-1(1):計算書/フード見取図等

● 〈作成書類例〉4-2(3):計算書/ダクト系の系統線図

● 〈作成書類例〉4-3(4):計算書/圧損、静圧の計算表

● 〈作成書類例〉4-4(5):計算書/圧力計算

● 〈作成書類例〉5-2:局排図面等/ダクト系
● 〈作成書類例〉5-3:局排図面等/メーカーカタログ、仕様書





